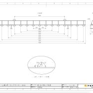
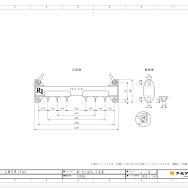
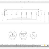
12ton-1500(6ton×2点・2ton×6点・1.5ton×8点)
- 製品質量 135kg
- 型番 BE-12-1500
- リース
- 販売
GPBB-8.5ton

- 上部シャックルは付属しております。紛失にご注意ください。
- ワイヤの吊り角度は、60°以内で使用してください。
ワイヤ、下部シャックルは販売となります。
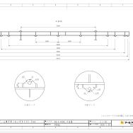
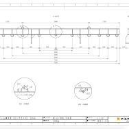
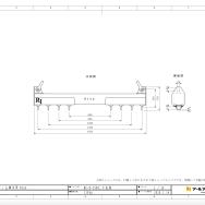
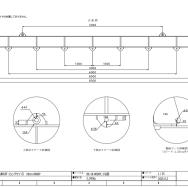
12ton-2500(6ton×2点・2ton×6点)
- 製品質量 310kg
- 型番 BE-12-2500
- リース
- 販売
GPBB-8.5ton

- 上部シャックルは付属しております。紛失にご注意ください。
- ワイヤの吊り角度は、60°以内で使用してください。
ワイヤ、下部シャックルは販売となります。
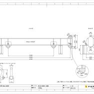
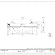
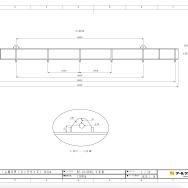
12ton-3500(6ton×2点・2ton×6点)
- 製品質量 460kg
- 型番 BE-12-3500
- リース
- 販売
GPBB-8.5ton

- 上部シャックルは付属しております。紛失にご注意ください。
- ワイヤの吊り角度は、60°以内で使用してください。
ワイヤ、下部シャックルは販売となります。
アールアイビーム棒天秤アールアイビーム棒天秤 12ton
- 写真集 / 動画集
-
アールアイビーム棒天秤 8ton
アールアイビーム棒天秤 12ton(1500)
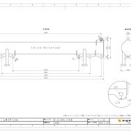
アールアイビーム棒天秤 12ton(2500,3500)
アールアイビーム棒天秤 15ton
アールアイビーム棒天秤 30/40ton
アールアイビーム棒天秤 12tonロング(8000,9580,10000)
アールアイビーム棒天秤 使用例
アールアイビーム棒天秤 使用例
アールアイビーム棒天秤 重機吊り使用例
アールアイビーム棒天秤 重機吊り使用例- 写真集へ
- カタログ / 図面 / 取扱説明書 / 点検表
- アールアイビーム棒天秤
-
カタログ
図面
取扱説明書
選定表
点検表
確認表
その他
※取扱説明書を必ず熟読し操作方法等を全て厳守してください。
※寸法と図の形状は、現品と異なる場合があります。また仕様・寸法・材質など変更する場合がありますので、あらかじめご了承ください
天秤
シャックルやワイヤの寸法・安全荷重はこちらからご確認いただけます。

カタログダウンロード
最新の製品カタログ・図面・取扱説明書がこちらからダウンロードできます。[PDF]
営業時間:8:00~17:00(土日祝日休業)





